Yueqing Hekao Electric Co., Ltd.
+ Home      + Contact us
 
Home
About us
Products
Services
Contact us
 
  • 1
  • 2
 
FLRN36-12D/125 Indoor AC HV Load Break Switch And Fuse Combination Apparatus
 
FLRN36-12D/125 Indoor AC HV Load Break Switch And Fuse Combination Apparatus
Summary


FLRN36 indoor AC high voltage load break switch-fuse combination (combination in short)is a comprehensive and new combination app aratus produced on the bases of the mature experience in domestic and abroad. It is a complement apparatus of HXGN □ -12 AC metal-enclosed ring main unit and it meet requirement of users in different power system. It has the advantages such as simple structure, easy maintenance, strong arc-extinction capability, high gap insulating level and high reliability. It accords to IEC420,IEC62271-105, GB16926& GB/T 11022 standards.

Ambient condition

1. Altitude: ≤ 1000m;
2. Ambient temperature: -25 ℃ ~+40℃ ;
3. Relative humidity: daily average ≤ 95% , monthly average ≤ 90% ;
4. Earthquake intensity: ≤ 8 grade;
5. Occasions without flammable and explosive matter, without corrosive
chemical and frequent severe vibration.

Model

Technical specification

Product feature

FLRN36-12D indoor AC high-voltage load break switch is equipped with double breaks, three working positions (connect,disconnect and grounded) and rotary moving contact. It uses SF6 for arcing and insulating medium. Moving contact,stable contact and grounded contact are installed in epoxy resin enclosure by compressing casting. The operation mechanism is reliable and simple which can be operated by manual and motor. The reliable mechanical interlock device together with the switc h body makes 5-protection functions.

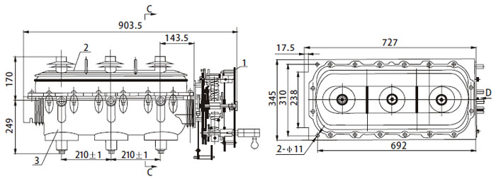
Outline diemension

 
 
  PRODUCT LIST
 
1  Wall perforated waterproof cover for air conditioner
2  Water drainage pump for air conditioner
3  Indicator Light
4  Push button
5  Modular isolation switch series
6  Solid State Relay
7  Industrial plug and socket
8  Vacuum Circuit Breaker Series
9  Outdoor Load Break Switch Series
10  Intelligent Automation Equipment For Power Grid
11  Outdoor AC High Voltage Disconnect Switdh Series
12  Indoor Load Break Switch Series
13  Indoor AC High Voltage Disconnect Switch Series
14  Insulator Series
15  Drop-out Type Fuse Series
16  Arresters
17  Hot stick/insulated rod/operating rod
18  Ground set/earth rod equipment
19  Ground wire,grounding clamp
20  Copper rod /brass rod
21  Safety helmet
22  Discharge rod lightening rod
 
Copyright © Yueqing Hekao Electric Co., Ltd. All Rights Reserved.
Tel: 0086-577-62890982  Fax: 0086-577-62890992  E-mail:sales@hekaoelectric.com; hekao@hekaoelectric.com Add: Room 203,Buildi