Summary
GN22-12(C) disconnect switch is an indoor electric apparatus with rated voltage 12kV three-phase AC 50/60Hz. it is used to break, make and transfer lines when the HV apparatus is under situations with voltage and no-load.
Ambient condition
1. Altitude: ≤ 1000m;
2. Ambient temperature: -30℃ ~+40℃ ;
3. Relative humidity: daily average ≤ 95% , monthly average ≤ 90% ;
4. Earthquake intensity: ≤ 8 grade;
5. Applicable occasions should free from inflammables, explosives, corrosives and severe vibration.
Product feature
1. Scientific and reliable design.
2. Large current capacity.
3. Easy maintenance and operation.
Model

Technical specification

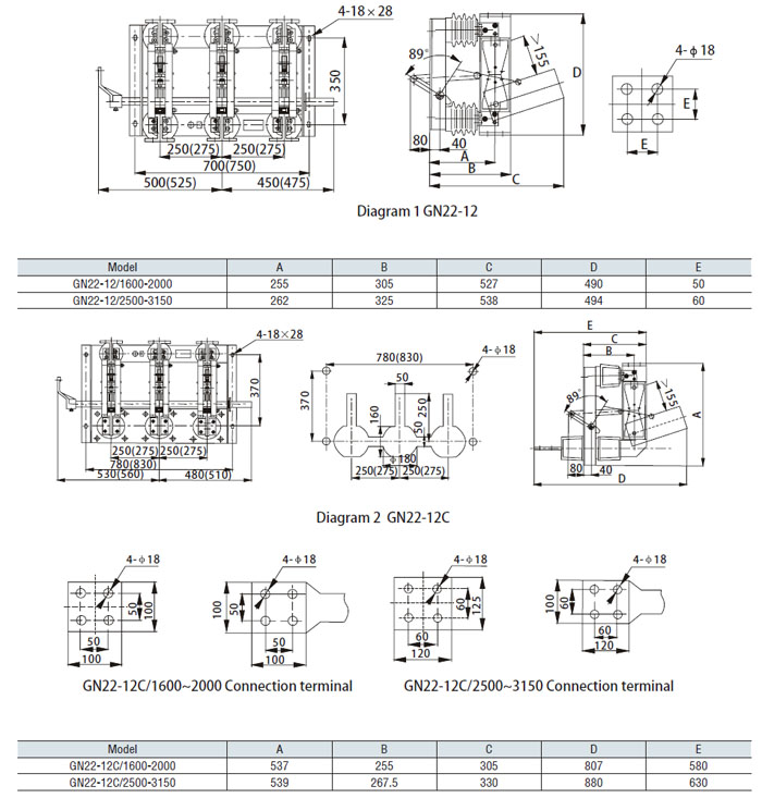
Outline dimension
