Yueqing Hekao Electric Co., Ltd.
+ Home      + Contact us
 
Home
About us
Products
Services
Contact us
 
  • 1
  • 2
 
ZWHA-24 Type Outdoor HV AC Vacuum Circuit Breaker
 
ZWHA-24 Type Outdoor HV AC Vacuum Circuit Breaker

Summary
ZWHA-24 series outdoor HV AC vacuum circuit breaker is used to make and break load current, overload current and short-circuit current in the power system with rated voltage 24kV, three-phase AC 50/60Hz. It is applicable to substations, industrial and mining enterprises, unban and rural electric power networks, especially to the occasions with frequent operation and automatic power distribution networks for power network control and equipment protection. The product conforms to the standards of IEC62271-100 & GB1984: AC high voltage circuit breaker, IEC60694 & GB/T11022: HV general technical requirement of switch and control apparatus.

Ambient conditions
1. Altitude: ≤2000m;
2. Ambient temperature: -40℃~+45℃;diurnal temperature rang ≤25℃;
3. Wind speed: ≤35m/s, equivalent to wind pressure of 700Pa;
4. Earthquake intensity: ≤grade 8;
5. Relative humidity: monthly average ≤90%; daily average ≤95%;
6. Ice thickness: ≤10mm
7. Sunlight intensity: ≤1000W/m2
8. Pollution degree: ≤Ⅳ(GB5582);
9. Applicable occasions: no fire and explosion danger, no chemical corrosion and no frequent severe vibration.

Model


Technical specification
No. Item Unit Data
1 Rated voltage kV 24
2 Rated insulation
level
1min P.F
withstand
voltage
Dry test 65/79(isolating distance)
Wet test 50/64(isolating distance)
Auxiliary loop and control loop 2
Lightning impulse withstand voltage(peak) 125/145(isolating distance)
3 Rated frequency Hz 50/60
4 Rated current A 630、1250
5 Rated operating sequence O-0.3s-CO-180s-CO
6 Rated short-circuit breaking current kA 16 20 25
7 Rated short-circuit making current(peak) 40 50 63
8 Rated peak withstand current(peak) 40 50 63
9 Rated short-time withstand current 16 20 25
10 Rated short-circuit duration s 4
11 Breaking times of rated current times 1000
12 Breaking times of rated short-circuit breaking current 20
13 Closing time ms 20~80
14 Opening time At max. operating voltage 20~80
At rated operating voltage 20~80
At min. operating voltage 20~80
15 Complete breaking time ≤100
16 Mechanical life times 10000
17 Closing power J 70
18 Rated input power for energy storage motor W ≤70
19 Rated operating voltage and rated auxiliary loop current V DC/AC 220
20 Energy storage time under rated voltage S ≤8
21 Over-current
tripping device
Rated current A 5
Tripping current accuracy % ±10
22 Average opening speed m/s 1.5±0.2
23 Average closing speed 0.8±0.2
24 Contact close-boucing time ms ≤3
25 Three-phase opening non-simultaneity ≤2
26 DC resistance for each phase loop(with isolator) μΩ ≤80(150 with isolator)
27 Allowed accumulative wear thickness for moving and static contacts mm 3
28 Phase-to-phase spacing 390±1.5
29 Contact self-closing pressure N 2000±200
30 Net weight kg 125(155 with isolator)


Main function features
1. The product can be equipped with a protection and metering current transformer to realize 3-sectional type over-current protection and electricity consumption monitoring according to users’ request;
2. The product can be equipped with a built-in remote control device to realize remote operation;
3. Equipped with a reclosing controller, it can realize the function of automatic reclosing.
4. Iron or stainless steel body, manual or electric mechanism is available for free chioce;
5. The product can meet the demands of the users from different regions as it has the norms of miniaturization and plateau types for users to choose.
6. The switch can be equipped with an external isolator according to the users’ request.
7. The operating mechanism can be permanent magnet type which can sensitively and quickly cut off the short-circuit current;
8. All the other functions which the similar products have can be added to the switch according to the users’request.

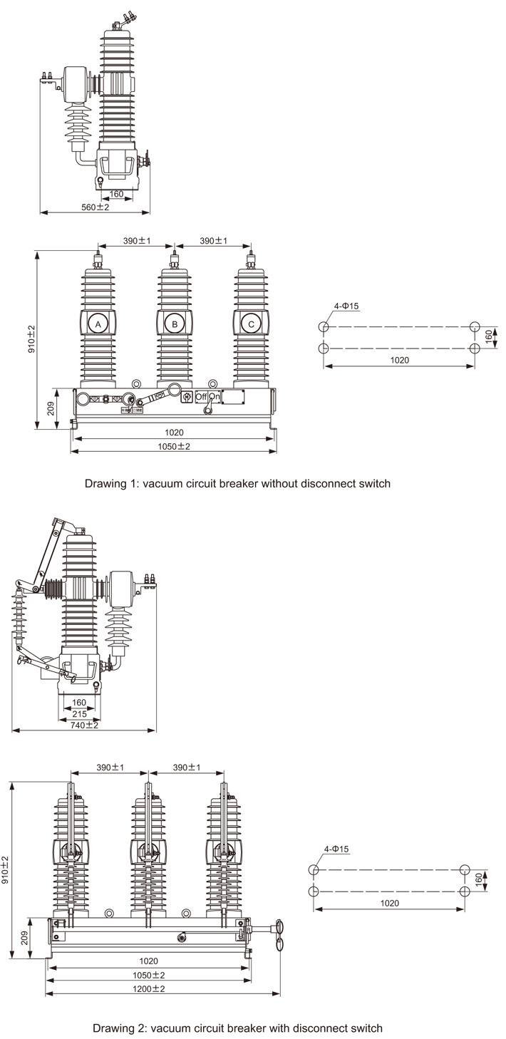
Outline and installation dimension

 
 
  PRODUCT LIST
 
1  Wall perforated waterproof cover for air conditioner
2  Water drainage pump for air conditioner
3  Indicator Light
4  Push button
5  Modular isolation switch series
6  Solid State Relay
7  Industrial plug and socket
8  Vacuum Circuit Breaker Series
9  Outdoor Load Break Switch Series
10  Intelligent Automation Equipment For Power Grid
11  Outdoor AC High Voltage Disconnect Switdh Series
12  Indoor Load Break Switch Series
13  Indoor AC High Voltage Disconnect Switch Series
14  Insulator Series
15  Drop-out Type Fuse Series
16  Arresters
17  Hot stick/insulated rod/operating rod
18  Ground set/earth rod equipment
19  Ground wire,grounding clamp
20  Copper rod /brass rod
21  Safety helmet
22  Discharge rod lightening rod
 
Copyright © Yueqing Hekao Electric Co., Ltd. All Rights Reserved.
Tel: 0086-577-62890982  Fax: 0086-577-62890992  E-mail:sales@hekaoelectric.com; hekao@hekaoelectric.com Add: Room 203,Buildi